1. 产品简述 (Product Profile)
将电动机的PWM输出信号转化为低剩余纹波电压的光滑正弦波,防止对电机的绕组绝缘造成损害。减少了因电缆线长而出现的分布电容和分布电感产生共振的现象;消除高dv/dt而造成的电机过电压;消除涡流损耗造成的电动机提前损坏;滤波器降低了电动机的可听噪音。
Sinus Filter is designed to convert the PWM output signal of motor drives into a smooth sine wave with low residual ripple so as to avoid the motor insulation damage,reduce the resonance phenomenon caused by thedistributed cap6acitance and inductance due to the long cable, eliminate the excessive motor voltage caused by high dv/dt,eliminate motor damage caused by eddy loss and reduce the noise of motor by filter application.
2.产品特点 (Product Features)
采用了高性能的箔式绕组结构,铜排引出,具有直流电阻小,抗电磁力能力强,短时间过载能力强;采用高性能的F级以上的复合绝缘材 料,使产品在严酷的工作条件下依然可以保持可靠的性能;电抗器绝缘强度高,能承受极高的Dv/dt的电压冲击。电抗器采用真空压力浸渍工艺,可听噪音小。
Due to the excellent foil winding structure and aluminum leading structure, Sinus Filter is characterized by small DC resistance, strong resistance to electromagnetic interference and strong short-time overload capability. F Class insulation materials equip the products with reliable performance even in harsh operating conditions;high insulation ability can sustain high Dv/dt voltage impulse to the reactor; process makes the humming noise low.
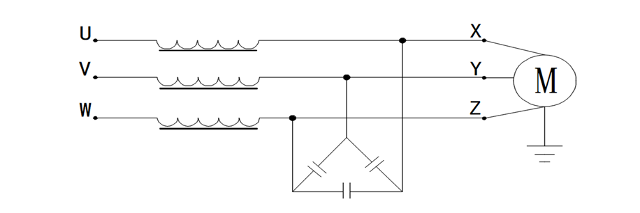
3. 电气原理图(Electrical Diagram)
4.产品型号定义(Product identification)

5. 技术参数
1. 工作电压:380VAC-690VAC
2. 工作电流:15A-1500A
3. 工作频率:50/60Hz.
4. 载波频率:2K-4k
5. 绝缘等级:class H
6. 压降:8%-12%
7. 电压谐波畸变失真THDU<5%
8. 空载电流<8%
9. 使用环境:-10…+45 ℃,额定值不会降低。
10. 防护等级:IP00
11. 最大电流:1.5x额定电流,持续60S
12. 噪 音:<65dB
13. 温升:≤75K
14. 抗电强度:铁芯-绕组 3000VAC/50Hz/5mA/10s无飞弧击穿(工厂测试)
15. 绝缘电阻:1000VDC绝缘阻值>100MΩ
16. 海拔高度不超过2000米。
17. 运行时温度25℃~+150℃,相对湿度不超过90%。
18. 周围环境应有良好的通风条件,如装在柜内,应加装通风设备。
Technical Requirement
1. Work Voltage:220VAC-690VAC
2. Work Current:15A-1500A
3. Work Frequency: 50/60Hz
4. Swltching frequency:2-4KHz
5. Insulation Class: class H
6. Rated voltage drop:8~12%
7. Voltage harmonic distortion:THDU≤5%
8. Load current≤8%
9. Operation Environment:-10~+45 C,rated value wont’t lower,when higer than 55 ℃and every lc,the current will step down 2%
10. Protectlon class:IP00-lP22
11. Max Current: 1.5 xRated current,continuous 60S
12. Noise:≤ 65dB
13. Temperature Rise:75K
14. Dlelectric strength: Core Col 3000VAC/50Hz/5mA/10s no electric arcing puncture (factory test)
15. insulation Resistor:1000VDC insulation resistance value ≥100MΩ
16. Under seal level 2000m
17. Running temperature 25 ℃-+150 ℃,comparative malsfure not over 90%.
18. With well-ventilated condition,ventilation devices shall be mounfed if installatioh in panels
6.滤波器尺寸【Filter size】(380-415V Sine wave Filter)

